|
|
|
|
|
|
|
|
Freunde,
der Boden ist arm, wir müssen reichlich Samen ausstreun,
daß uns doch nur mäßige Ernten
gedeihn.
|
|
|
Novalis
|
Die Fächer:
- AE = Angewandte Elektronik
= Schaltungstechnik
- HE = Halbleiterelektronik.
Dieses Fach wird von Herrn Prof. Giebel
vertreten.
Beide Veranstaltungen bilden einen
Verbund, der dem typischen Fach “Bauelemente und
Schaltungen” der herkömmlichen Ingenieurausbildung
nahekommt. Sie werden mit einer gemeinsamen Modulprüfung
abgeschlossen. Jedes der beiden Fächer zählt
dabei 50 %.
Das grundsätzliche Lernziel: Elektronik für Embedded
Systems:
- von μW bis ca. 3000 W,
- von μV bis ein paar hundert V,
- von DC bis ca. 30 MHz.
- Keine richtige Leistungselektronik,
keine Hochfrequenztechnik.-
Bauelemente und Schaltungen
näher kennenlernen:
- Im Fach AE durch praktischen
Aufbau (Hands-on),
- im Fach HE durch Simulation.

| 
|

|
|

|

|
|
Wir lernen nicht
nur für die Klausur -- sondern
auch für Abschlußarbeiten
(und womöglich Arbeitsstellen):
|
|
|

|

|
|

|

|
Übersicht WS 11/12: --
Schaltungstechnik (AE) --
|
Woche
|
Vorlesung
|
Übung
|
1
|
Diodenschaltungen
|
--
|
2
|
Transistorschaltungen
|
Diodenschaltungen
1
|
3
|
Transistorschaltstufen
|
Diodenschaltungen
2
|
4
|
Logik-
und Impulsschaltungen
|
Transistorschaltungen
1
|
5
|
Leistungselektronik
1 (Lasten, SOA, Transistorschaltstufen)
|
Transistorschaltungen
2
|
6
|
Leistungselektronik 2
(FETs, Treiber, Brückenschaltungen)
|
Transistorschaltstufen
|
7
|
Optoelektronik
1
|
Leistungsschaltungen
1
|
8
|
Optoelektronik
2
|
Leistungsschaltungen
2
|
9
|
Operationsverstärker und
Komparatoren
|
Optoelektronik
|
10
|
Das Wechselspannungsverhalten
des Operationsverstärkers
|
Operationsverstärker 1
(Grundschaltungen
anwenden und dimensionieren)
|
11
|
Puffer, CFA,
Differenzmeßverstärker
|
Operationsverstärker 2
(Frequenzverhalten)
|
12
|
A/D und D/A
(Einführung)
|
Operationsverstärker
und Komparatoren im Einsatz
|
|
13
|
A/D und D/A (Kennwerte
und Fehler)
|
A/D und D/A
im Einsatz
|
14
|
Reserve
|
Klausurvorbereitung
|
Zur Klausurvorbereitung
2012:
Archiv (nur
zur Information):
Aktueller:
|

|
Der
Testadapter im Einsatz:

|
|
Aus dem Serienbau:

|

|
- Viel Erfolg beim Studium!
-
|
|
Aktuelles:
15. 5. 2012:
Musterlösungen
der Klausur AE
Die Lehrveranstaltung
wird im Sommersemester nicht angeboten.
Skripte
neu geordnet.
Wenn im Praktikum Bauelemente kaputtgehen:
Richtig adaptieren und prüfen:

Der
Bauelementetestadapter 10a. Zum Prüfen
von zweipoligen Bauelementen auf Steckplatinen mit
19 und 38 mm Abstand zwischen den Steckstiften.
Dienstvorschrift:
- Meßgeräte anschließen,
Betriebsspannungen anlegen.
- Zu prüfendes Bauelement
einstecken (an der richtigen Stelle; ggf. richtig
herum).
- Werte ablesen. Ggf. Prüffälle
durchspielen (Kippschalter).
- Bauelement entnehmen.
Auch ein Halbleitertester sollte vernünftig adaptiert
werden:

Der
Halbleitertestadapter10a mit Halbleitertester Atlas DCA55.
Das ist sicherlich besser also so:
Dienstvorschrift:
- Zu prüfendes Bauelement
stecken. Es darf zu einer Zeit nur ein Bauelement
gesteckt sein. Der Tester erkennt die Anschlüsse
automatisch. Farbe der Buchsen entspricht der
Anzeige des Testers
- Tester einschalten (linke
Taste).
- Warten, bis Tester Analyse
beendet hat.
- Wurde das Bauelement richtig
erkannt? Wenn NEIN, ist es defekt. Wenn JA,
durch Betätigen der rechten Taste die Meßergebnisse
nacheinander abrufen.
- Ausschalten: durch längeres
Niederhalten der rechten Taste oder automatisch
nach ca.
einer Minute Nichtstun.
Wenn die Batterien der Meßgeräte leer
werden:
Ärger mit leeren Batterien? -- Das muß
nicht sein. Man sollte aber nicht einfach nur das Multimeter dranhalten,
sondern richtig testen (unter Last)::

Der
Batterietester 10a: Für
1,5 V AA und 9 V Block. Mit richtigen Adaptern (so
daß man zum Prüfen keine drei Hände
mehr braucht)... Prüft mit keiner Last / niedriger
Last / hoher Last.
Dienstvorschrift:
- Spannung wählen.
- Batterie einlegen (richtig
herum!).
- Belastungen durchprobieren
und sehen, was herauskommt.
- Batterie entnehmen.
Ärger
mit brüchigen Laborkabeln? -- Das muß nicht sein. Hier der
Laborkabeltester 10a.

Dienstvorschrift:
- Kabel stecken.
- Meßtaste kurz betätigen..
- Grüne LED muß
leuchten. Rote LED darf nicht leuchten.
- Am Kabel rütteln usw.
Aufleuchten der roten LED zeigt Wackelkontakt
an.
- Kabel abziehen.
Ältere
Aufgaben zum Üben:
Noch mehr zum Lernen und Üben:
*): Eine Zusammenstellung
von Klausur- und Übungsaufgaben -- vor allem für jene,
die womöglich annehmen, sie könnten in dieser Veranstaltung
nichts Neues lernen ...
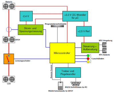
Die Versuche des bisherigen
Elektronikpraktikums (Diplomstudiengänge):
|
|